"Бесполезный будильник"
Развернуто

Все записи

Надежда Сыровненкоnas25nas25

форма проекта

Надежда Сыровненкоnas25nas25

План по реализации

Две недели на поиск и ознакомление программиста, умеющего программировать PIC контроллеры, с проектом
žДве недели на создание готовой схемы и программного обеспечения
žДве недели на создание готовой конструкции к имеющейся компоновке
žДве недели на сборку схемы и представление готового прототипа

 В итоге работающий прототип будет готов не ранее чем через 2,5 месяца

Надежда Сыровненкоnas25nas25

Механизмы

Надежда Сыровненкоnas25nas25

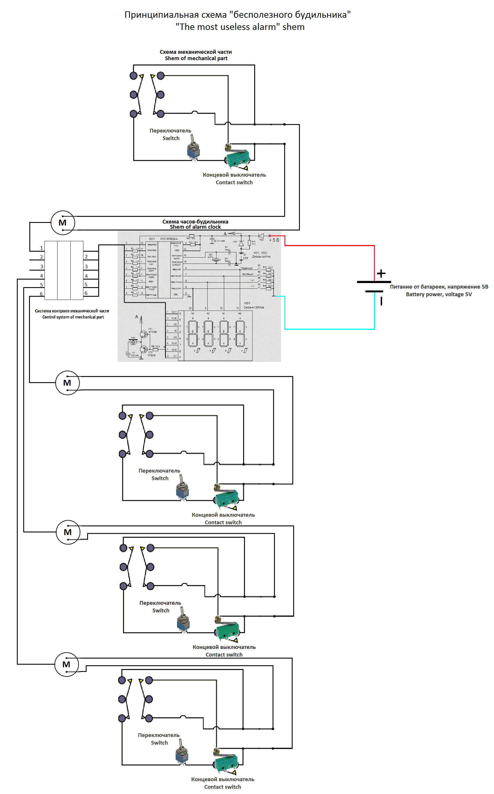
Схемы будильника

Надежда Сыровненкоnas25nas25

Вид будильника

Надежда Сыровненкоnas25nas25

Смета проекта

Компонент

         Цена,руб

 

Сервомоторы(POLOLU 180:1 Mini Plastic Gearmotor Offset 3mm D-Shaft Output)

 

 

 

              1500

Тумблер

 

               150

Микропереключатель

 

               480

Позитивная светочувствительная эмульсия

  

               590

Стеклотекстолит 200x300

 

              330

FM модуль(BK 1089)

                70

 

Индикатор(CA04-41SRWA)

               200

 

Микроконтроллер(PIC16F628A-I/P)

 

               100

 

Элементы обвязки 

               200

 

Держатель батареек

 

               100

 

Батарейки

 

Итого 4000 рублей

               250

 

Надежда Сыровненкоnas25nas25

Описание участников

Пластун Сергей

создатель проекта, "глубоко спящий" участник, которого может разбудить только наш чудо-будильник

Сыровненко Надежда

реализатор проекта, отвечает за творческую часть проекта

Надежда Сыровненкоnas25nas25

SWOT-анализ

Сильные стороны

Слабые стороны

Оригинальность исполнения обыденного устройства

Дороговизна компонентов, требующихся для сборки (если их покупать в Томске)

Многофункциональность часов-радио-оригинального будильника

Риски

ž Малая аудитория, плохая продажа, отсутствие прибыли

Добавить запись

Для добавления записи необходимо стать зарегистрированным пользователем.

cache: no_info (8), no_need (6), no_cache (1), miss (16), cached (9)db queries: 17time: 0.080

При отправке данных на сервер произошла ошибка. Проверьте соединение с интернетом и попробуйте перезагрузить страницу.

У Вас не хватает прав на выполнение операции. Данные не были сохранены.